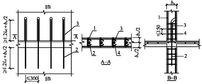
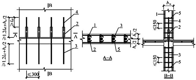
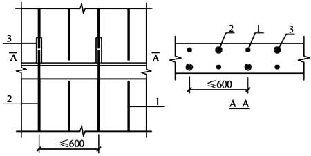
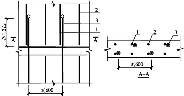
5.7 装配整体式剪力墙结构 (Ⅰ) 一般规定 5.7.1 除本标准另有规定外,装配整体式剪力墙结构应符合国家现行标准《混凝土结构设计规范》GB 50010、《建筑抗震设计规范》GB 50011、《装配式混凝土结构技术规程》JGJ 1和《高层建筑混凝土结构技术规程》JGJ 3的有关规定。双面叠合剪力墙的设计尚应符合本标准附录A的规定。 5.7.2 对同一层内既有现浇墙肢也有预制墙肢的装配整体式剪力墙结构,现浇墙肢水平地震作用弯矩、剪力宜乘以不小于1.1的增大系数。 5.7.3 装配整体式剪力墙结构的布置应满足下列要求: 1 应沿两个方向布置剪力墙; 2 剪力墙平面布置宜简单、规则,自下而上宜连续布置,避免层间侧向刚度突变; 3 剪力墙门窗洞口宜上下对齐、成列布置,形成明确的墙肢和连梁;抗震等级为一、二、三级的剪力墙底部加强部位不应采用错洞墙,结构全高均不应采用叠合错洞墙。 (Ⅱ)预制剪力墙设计 5.7.4 预制剪力墙竖向钢筋采用套筒灌浆连接时,自套筒底部至套筒顶部并向上延伸300mm范围内,预制剪力墙的水平分布钢筋应加密(图5.7.4),加密区水平分布钢筋的最大间距及最小直径应符合表5.7.4的规定,套筒上端第一道水平分布钢筋距离套筒顶部不应大于50mm。 图5.7.4 钢筋套筒灌浆连接部位水平分布钢筋加密构造示意 1-灌浆套筒;2-水平分布钢筋加密区域(阴影区域);3-竖向钢筋;4-水平分布钢筋 表5.7.4 加密区水平分布钢筋的要求 抗震等级 最大间距(mm) 最小直径(mm) 一、二级 100 8 三、四级 150 8 5.7.5 预制剪力墙竖向钢筋采用浆锚搭接连接时,应符合下列规定: 1 墙体底部预留灌浆孔道直线段长度应大于下层预制剪力墙连接钢筋伸入孔道内的长度30mm,孔道上部应根据灌浆要求设置合理弧度。孔道直径不宜小于40mm和2.5d(d为伸入孔道的连接钢筋直径)的较大值,孔道之间的水平净间距不宜小于50mm;孔道外壁至剪力墙外表面的净间距不宜小于30mm。当采用预埋金属波纹管成孔时,金属波纹管的钢带厚度及波纹高度应符合本标准第5.2.2条的规定;当采用其他成孔方式时,应对不同预留成孔工艺、孔道形状、孔道内壁的粗糙度或花纹深度及间距等形成的连接接头进行力学性能以及适用性的试验验证。 2 竖向钢筋连接长度范围内的水平分布钢筋应加密,加密范围自剪力墙底部至预留灌浆孔道顶部(图5.7.5-1),且不应小于300mm。加密区水平分布钢筋的最大间距及最小直径应符合本标准表5.7.4的规定,最下层水平分布钢筋距离墙身底部不应大于50mm。剪力墙竖向分布钢筋连接长度范围内未采取有效横向约束措施时,水平分布钢筋加密范围内的拉筋应加密;拉筋沿竖向的间距不宜大于300mm且不少于2排;拉筋沿水平方向的间距不宜大于竖向分布钢筋间距,直径不应小于6mm;拉筋应紧靠被连接钢筋,并钩住最外层分布钢筋。 图5.7.5-1 钢筋浆锚搭接连接部位水平分布钢筋加密构造示意 1-预留灌浆孔道;2-水平分布钢筋加密区域(阴影区域);3-竖向钢筋;4-水平分布钢筋 3 边缘构件竖向钢筋连接长度范围内应采取加密水平封闭箍筋的横向约束措施或其他可靠措施。当采用加密水平封闭箍筋约束时,应沿预留孔道直线段全高加密。箍筋沿竖向的间距,一级不应大于75mm,二、三级不应大于100mm,四级不应大于150mm;箍筋沿水平方向的肢距不应大于竖向钢筋间距,且不宜大于200mm;箍筋直径一、二级不应小于10mm,三、四级不应小于8mm,宜采用焊接封闭箍筋(图5.7.5-2)。 图5.7.5-2 钢筋浆锚搭接连接长度范围内加密水平封闭箍筋约束构造示意 1-上层预制剪力墙边缘构件竖向钢筋;2-下层剪力墙边缘构件竖向钢筋;3-封闭箍筋;4-预留灌浆孔道;5-水平分布钢筋 (Ⅲ)连接设计 5.7.6 楼层内相邻预制剪力墙之间应采用整体式接缝连接,且应符合下列规定: 1 当接缝位于纵横墙交接处的约束边缘构件区域时,约束边缘构件的阴影区域(图5.7.6-1)宜全部采用后浇混凝土,并应在后浇段内设置封闭箍筋。 2 当接缝位于纵横墙交接处的构造边缘构件区域时,构造边缘构件宜全部采用后浇混凝土(图5.7.6-2),当仅在一面墙上设置后浇段时,后浇段的长度不宜小于300mm(图5.7.6-3)。 3 边缘构件内的配筋及构造要求应符合现行国家标准《建筑抗震设计规范》GB 50011的有关规定;预制剪力墙的水平分 图5.7.6-1 约束边缘构件阴影区域全部后浇构造示意 (阴影区域为斜线填充范围) 1-后浇段;2-预制剪力墙 图5.7.6-2 构造边缘构件全部后浇构造示意 (阴影区域为构造边缘构件范围) 1-后浇段;2-预制剪力墙 图5.7.6-3 构造边缘构件部分后浇构造示意 (阴影区域为构造边缘构件范围) 1-后浇段;2-预制剪力墙 布钢筋在后浇段内的锚固、连接应符合现行国家标准《混凝土结构设计规范》GB 50010的有关规定。 4 非边缘构件位置,相邻预制剪力墙之间应设置后浇段,后浇段的宽度不应小于墙厚且不宜小于200mm;后浇段内应设置不少于4根竖向钢筋,钢筋直径不应小于墙体竖向分布钢筋直径且不应小于8mm两侧墙体的水平分布钢筋在后浇段内的连接应符合现行国家标准《混凝土结构设计规范》GB 50010的有关规定。 5.7.7 当采用套筒灌浆连接或浆锚搭接连接时,预制剪力墙底部接缝宜设置在楼面标高处。接缝高度不宜小于20mm,宜采用灌浆料填实,接缝处后浇混凝土上表面应设置粗糙面。 5.7.8 在地震设计状况下,剪力墙水平接缝的受剪承载力设计值应按下式计算: 式中:VuE——剪力墙水平接缝受剪承载力设计值(N); fy——垂直穿过结合面的竖向钢筋抗拉强度设计值(N/mm2); Asd——垂直穿过结合面的竖向钢筋面积(mm2); N——与剪力设计值V相应的垂直于结合面的轴向力设计值(N),压力时取正值,拉力时取负值;当大于0.6fcbh0时,取为0.6fcbh0;此处fc为混凝土轴心抗压强度设计值,b为剪力墙厚度,h0为剪力墙截面有效高度。 5.7.9 上下层预制剪力墙的竖向钢筋连接应符合下列规定: 1 边缘构件的竖向钢筋应逐根连接。 2 预制剪力墙的竖向分布钢筋宜采用双排连接,当采用“梅花形”部分连接时,应符合本标准第5.7.10条~第5.7.12条的规定。 3 除下列情况外,墙体厚度不大于200mm的丙类建筑预制剪力墙的竖向分布钢筋可采用单排连接,采用单排连接时,应符合本标准第5.7.10条、第5.7.12条的规定,且在计算分析时不应考虑剪力墙平面外刚度及承载力。 1)抗震等级为一级的剪力墙; 2)轴压比大于0.3的抗震等级为二、三、四级的剪力墙; 3)一侧无楼板的剪力墙; 4)一字形剪力墙、一端有翼墙连接但剪力墙非边缘构件区长度大于3m的剪力墙以及两端有翼墙连接但剪力墙非边缘构件区长度大于6m的剪力墙。 4 抗震等级为一级的剪力墙以及二、三级底部加强部位的剪力墙,剪力墙的边缘构件竖向钢筋宜采用套筒灌浆连接。 5.7.10 当上下层预制剪力墙竖向钢筋采用套筒灌浆连接时,应符合下列规定: 1 当竖向分布钢筋采用“梅花形”部分连接时(图5.7.10-1),连接钢筋的配筋率不应小于现行国家标准《建筑抗震设计规范》GB 50011规定的剪力墙竖向分布钢筋最小配筋率要求,连接钢筋的直径不应小于12mm,同侧间距不应大于600mm,且在剪力墙构件承载力设计和分布钢筋配筋率计算中不得计入未连接的分布钢筋;未连接的竖向分布钢筋直径不应小于6mm。 图5.7.10-1 竖向分布钢筋“梅花形”套筒灌浆连接构造示意 1-未连接的竖向分布钢筋;2-连接的竖向分布钢筋;3-灌浆套筒 2 当竖向分布钢筋采用单排连接时(图5.7.10-2),应符合本标准第5.4.2条的规定;剪力墙两侧竖向分布钢筋与配置于墙体厚度中部的连接钢筋搭接连接,连接钢筋位于内、外侧被连接钢筋的中间;连接钢筋受拉承载力不应小于上下层被连接钢筋受拉承载力较大值的1.1倍,间距不宜大于300mm。下层剪力墙连接钢筋自下层预制墙顶算起的埋置长度不应小于1.2laE+bw/2(bw为墙体厚度),上层剪力墙连接钢筋自套筒顶面算起的埋置长度不应小于laE,上层连接钢筋顶部至套筒底部的长度尚 图5.7.10-2 竖向分布钢筋单排套筒灌浆连接构造示意 1-上层预制剪力墙竖向分布钢筋;2-灌浆套筒;3-下层剪力墙连接钢筋;4-上层剪力墙连接钢筋;5-拉筋 不应小于1.2laE+bw/2,laE按连接钢筋直径计算。钢筋连接长度范围内应配置拉筋,同一连接接头内的拉筋配筋面积不应小于连接钢筋的面积;拉筋沿竖向的间距不应大于水平分布钢筋间距,且不宜大于150mm;拉筋沿水平方向的间距不应大于竖向分布钢筋间距,直径不应小于6mm;拉筋应紧靠连接钢筋,并钩住最外层分布钢筋。 5.7.11 当上下层预制剪力墙竖向钢筋采用挤压套筒连接时,应符合下列规定: 1 预制剪力墙底后浇段内的水平钢筋直径不应小于10mm和预制剪力墙水平分布钢筋直径的较大值,间距不宜大于100mm;楼板顶面以上第一道水平钢筋距楼板顶面不宜大于50mm,套筒上端第一道水平钢筋距套筒顶部不宜大于20mm(图5.7.11-1)。 图5.7.11-1 预制剪力墙底后浇段水平钢筋配置示意 1-预制剪力墙;2-墙底后浇段;3-挤压套筒;4-水平钢筋 2 当竖向分布钢筋采用“梅花形”部分连接时(图5.7.11-2),应符合本标准第5.7.10条第1款的规定。 图5.7.11-2 竖向分布钢筋“梅花形”挤压套筒连接构造示意 1-连接的竖向分布钢筋;2-未连接的竖向分布钢筋;3-挤压套筒 5.7.12 当上下层预制剪力墙竖向钢筋采用浆锚搭接连接时,应符合下列规定: 1 当竖向钢筋非单排连接时,下层预制剪力墙连接钢筋伸入预留灌浆孔道内的长度不应小于1.2laE(图5.7.12-1)。 图5.7.12-1 竖向钢筋浆锚搭接连接构造示意 1-上层预制剪力墙竖向钢筋;2-下层剪力墙竖向钢筋;3-预留灌浆孔道 2 当竖向分布钢筋采用“梅花形”部分连接时(图5.7.12-2),应符合本标准第5.7.10条第1款的规定。 图5.7.12-2 竖向分布钢筋“梅花形”浆锚搭接连接构造示意 1-连接的竖向分布钢筋;2-未连接的竖向分布钢筋;3-预留灌浆孔道 3 当竖向分布钢筋采用单排连接时(图5.7.12-3),竖向分布钢筋应符合本标准第5.4.2条的规定;剪力墙两侧竖向分布钢筋与配置于墙体厚度中部的连接钢筋搭接连接,连接钢筋位于内、外侧被连接钢筋的中间;连接钢筋受拉承载力不应小于上下层被连接钢筋受拉承载力较大值的1.1倍,间距不宜大于300mm。连接钢筋自下层剪力墙顶算起的埋置长度不应小于1.2laE+bw/2(bw为墙体厚度),自上层预制墙体底部伸入预留灌浆孔道内的长度不应小于1.2laE+bw/2,laE按连接钢筋直径计算。钢筋连接长度范围内应配置拉筋,同一连接接头内的拉筋配筋面积不应小于连接钢筋的面积;拉筋沿竖向的间距不应大于水平分布钢筋间距,且不宜大于150mm;拉筋沿水平方向的肢距不应大于竖向分布钢筋间距,直径不应小于6mm;拉筋应紧靠连接钢筋,并钩住最外层分布钢筋。 图5.7.12-3 竖向分布钢筋单排浆锚搭接连接构造示意 1-上层预制剪力墙竖向钢筋;2-下层剪力墙连接钢筋;3-预留灌浆孔道;4-拉筋